João Silva
STN · 1015/03
CANINDÉ
📍 São Paulo / SP
8 de 12 boletins concluídos
CONSTRUTORA XYZ · 0892/01
VILA MARIANA
📍 São Paulo / SP
✓ 12 de 12 boletins concluídos
João Silva
CPF: 123.456.789-00
Alterar PIN
Sair
Alterar PIN
Digite seu PIN atual e o novo PIN de 4 dígitos
PIN Atual
Novo PIN
Confirmar Novo PIN
Estaca BL Data Ø mm Status
E-01 0117/04200 Enviado
E-02 0118/04200 Enviado
E-03 0119/04200 Enviado
E-04 0221/04200 Enviado
E-05 0222/04200 Rascunho
Identificação da Estaca
8" (203,2 mm) ← baseado em Ø 200mm
Período de Perfuração
✓ Duração: 2h 20min
Trechos
✓ Trechos somam 9,00m
Camadas de Solo
DE (m) A (m) Tipo de Material Diâm.
✓ Sequência correta — 9,00m cobertos
Armação
← baseado em Ø 200mm · altere se necessário
Lavagem

Selecione os métodos utilizados:

Injeção
✓ Após término da perfuração
✓ Duração: 1h 05min
Argamassa
50L areia · 25L água por saco de 50kg
RESULTADO
550,00 auto
550,00 auto
275,00 auto
1,393 auto
Observações (opcional)
0 / 500 caracteres
Estaca
Número
E-09
Bloco
01
Diâm.
200mm
Compr.
9,00m
Revestimento
8" (203,2mm)
Perfuração
Início
17/04/2025 07:35
Término
17/04/2025 09:55
Revestido
0,00m → 9,00m
Camada 1
0,00–1,50m · Arg. Arenosa · Ø200
Camada 2
1,50–5,20m · Arg. Orgânica · Ø200
Camada 3
5,20–9,00m · Arg. Arenosa · Ø200
Armação
Diâm. Armação
14 cm
Estribo
6,3mm (1/4")
Barra Long.
12,5mm (1/2")
Qtde. Emendas
N/A
Lavagem e Injeção
Lavagem
Água Limpa
Data Injeção
17/04/2025
Horário
10:15 – 11:20
Cimento
550,00 kg
Areia
550,00 L
Água
275,00 L
Volume (m³)
1,393 m³
Pressão
2,00 Kgf/cm²
Sacos
11
BOLETIM ENVIADO!
Dados da estaca E-09 registrados com sucesso e disponíveis para o administrativo.
ObraCanindé · STN
EstacaE-09 · Bloco 01
Enviado em17/04/2025 · 11:22
OperadorJoão Silva
👁 Resumo do Boletim
Estaca
NúmeroE-09
Bloco01
Diâmetro200 mm
Comprimento9,00 m
Revestimento8" (203,2 mm)
Perfuração
Início17/04/2025 07:35
Término17/04/2025 09:55
Duração2h 20min
Trecho revestido0,00 → 9,00 m
Armação
Diâm. armação14 cm
Bitola estribo6,3mm (1/4")
Barra long.12,5mm (1/2")
Injeção
LavagemÁgua Limpa
Data17/04/2025
Horário10:15 – 11:20
Cimento550,00 kg
Volume (m³)1,393 m³
Pressão2,00 Kgf/cm²
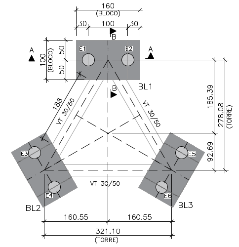
Projeto — Locação das Estacas
Locação das Estacas
📐 PLANTA DE LOCAÇÃO DAS ESTACAS Imagem cadastrada pelo Admin
ao configurar a obra
Pinça para dar zoom · Arraste para explorar
Estaca BL Data Comp.(m) Solo(m) Rocha(m) R.Granular(m) Operador Status
E-01 01 17/04 9,00 5,50 3,50 João S. Enviado
E-02 01 18/04 11,50 8,00 3,50 João S. Enviado
E-03 01 19/04 9,00 4,00 2,50 2,50 Pedro M. Enviado
E-04 02 21/04 9,00 6,50 2,50 João S. Enviado
E-05 02 22/04 Pedro M. Rascunho
TOTAIS 38,50 24,00 12,00 2,50
Telas: